| Image Number | Product | Price ex VAT |
|---|---|---|
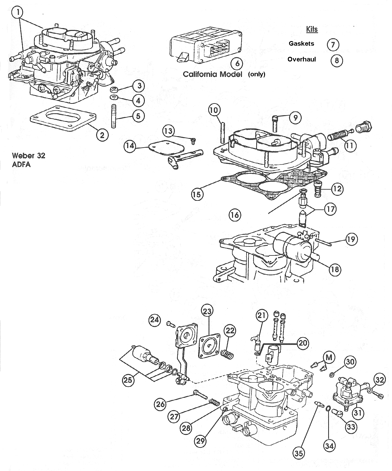
| 2 | CARBURETTOR (PHENOLIC)SPACER/SEAL BS/CS | £15.00 |
Available On Request
| Image Number | Part Number | Product | Price ex VAT |
|---|---|---|---|
| 25 | HNG3009934794 | IDLE CIRCUIT SHUTOFF VALVE 124 75-78 | Please Enquire |
| Not Illustrated | 3009909525 | AIR CLEANER STUDS 124 | £2.19 |
